网站首页
关于我们
产品展示
资质证书
新闻中心
电子样本
联系我们
网站首页
关于我们
产品展示
资质证书
新闻中心
电子样本
联系我们
首页
>
产品中心
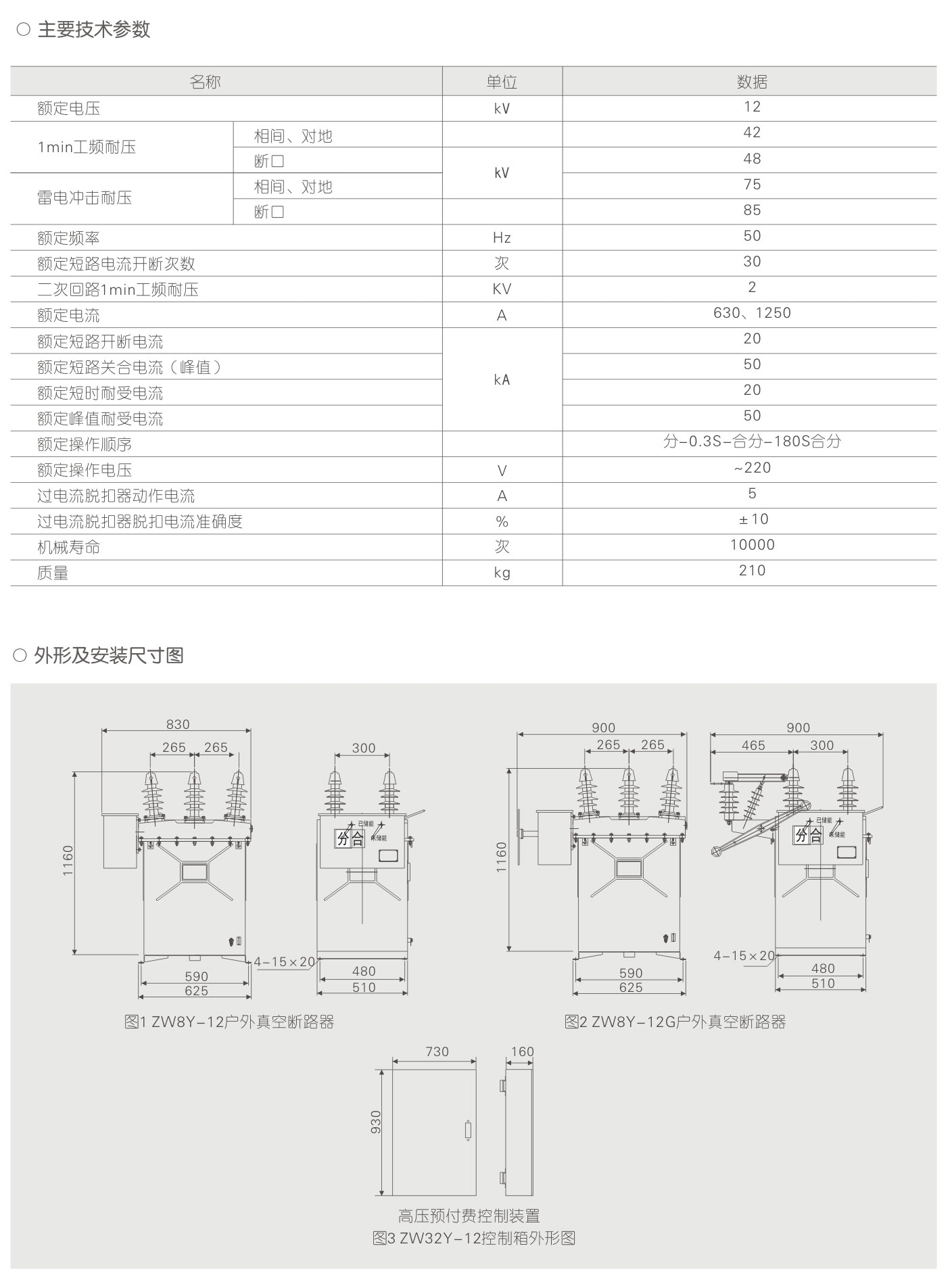
ZW8Y-12户外交流高压预付费真空断路器
返回列表 >
若您想进一步了解我们
可拨打服务热线,我们将真诚为您服务
关于我们
产品中心
电子样本
新闻资讯
联系我们
COPYRIGHT © 2020 河北万欧电力设备科技有限公司 ALL RIGHTS RESERVED
技术支持:鼎诺传媒
冀ICP备2020027743号